Wärmepumpen-Servicekombination AHS 500

 VOR 7300 object_image_99430imagemain_dech
 BEF 7300
Datenblatt Wärmepumpen-Servicekombination AHS 500
AFRISO Datenblatt Wärmepumpen-Servicekombination AHS 500

Ausführungen

Art.-Nr. Merken
Wärmepumpen-Servicekombination AHS 500 7750000
Wärmedämmung WD AHS 500 7750001

Blaue Art.-Nr. = Lagerware

Beschreibung Format Sprache Download / Link
Datenblatt Wärmepumpen-Servicekombination AHS 500 Datenblatt PDF
AFRISO Datenblatt Wärmepumpen-Servicekombination AHS 500

Heizungssysteme sind nach Vorgaben der VDI 2035 mit aufbereiteten Heizungswasser zu befüllen. Zudem werden zunehmend Hochleistungs-Wärmeträgermedien und/oder Frostschutzmittel verwendet. Ob Neubau oder Sanierung einer Heizungsanlage, das Spülen des Systems ist unerlässlich, um Verschmutzungen zu beseitigen und einen effizienten Betrieb der Anlage sicherzustellen. Diese Umstände erfordern den Einbau einer Befüll- und Spüleinrichtung. Im späteren Betrieb ist für eine kontinuierliche Abscheidung von Verschmutzungen wie Magnetit der Einbau eines Magnetschlammabscheiders Stand der Technik. Zur Reinigung des Magnetschlammabscheiders ist es ratsam, entsprechende Absperrorgane zu installieren. Elektronische Anzeigen für den Durchfluss und den Anlagendruck sind zwischenzeitlich bei fast allen Wärmeerzeugern als Basis in der Steuerung integriert. Dennoch ist der Einbau eines mechanischen Durchflussmessers und einem klassischen Manometer in der Praxis oftmals hilfreich, um die Erstbefüllung der Anlage zu überwachen oder bei späteren Serviceeinsätzen den Durchfluss und den Anlagendruck kontrollieren zu können. Müssen diese Komponenten einzeln montiert werden, kann es zu Platzproblemen kommen. Oft ist die Folge, dass wichtige Armaturen an einer schlecht zugänglichen Stelle verbaut werden, was die spätere Bedienung erschwert. Das Montieren, Eindichten und Wärmedämmen der einzelnen Komponenten bedeutet einen großen Aufwand. Zudem ergibt sich ein zusätzlicher Druckverlust der Gesamtanlage, der sich durch den Einsatz von AHS vermeiden lässt.

Funktion

Die Wärmepumpen-Servicekombination vereint alle Funktionen der beschriebenen Einzelkomponenten in einer kompakten Einheit und bietet eine praxistaugliche Lösung für den gesamten Lebenszyklus der Anlage:

Bei der Installation oder Wartung kann die Kombination zum Spülen und Befüllen der Anlage verwendet werden. Hierzu werden anstelle des Abscheiders oder Filters die mitgelieferten Schlauchanschlüsse aufgeschraubt.

Im laufenden Betrieb werden die Anschlüsse zur Aufnahme des Schlammabscheiders oder Filters verwendet. Dank der integrierten Kugelhähne können beide Anschlüsse zum Umbau und Reinigung sicher verschlossen werden. Der Durchflussmesser gibt Auskunft über den tatsächlichen Durchfluss. Für eine schnelle Sichtkontrolle kann ein optionales Manometer je nach Einbaulage von beiden Seiten montiert werden.

Die formschlüssigen Wärmedämmungen (Zubehör) sorgen für eine optimale Wärmeverlustbegrenzung und sparen Zeit bei der Montage. Für hohe Systemtemperaturen ist die Ausführung AHS 500 mit einem Schmutzfilter aus Messing mit Edelstahlsieb verfügbar.

Werkstoff
Gehäuse:
Messing
Dichtungen:
EPDM
Filtersieb:
Edelstahl
Anschlussteile:
Messing
Betriebsdruck
Max. 10 bar
Kvs-Wert
6,5 m³/h
Temperatureinsatzbereich
Medium:
Max. 120 °C (kurzzeitig 160 °C)
max. 120 °C
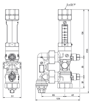
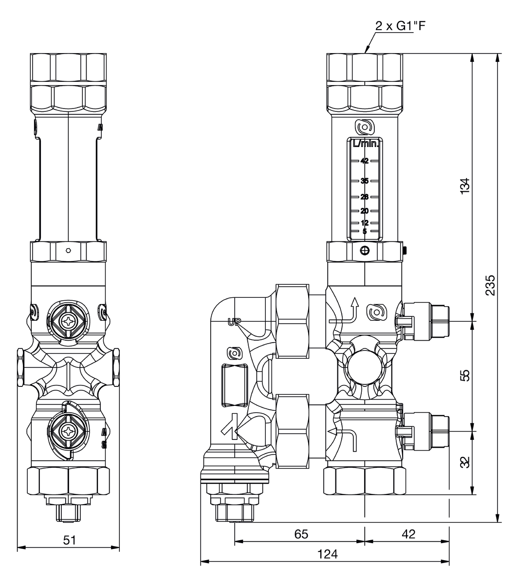
Maße
B x H x T:
124 x 235 x 51 mm
Anschluss
G1 IG
Filtermaschenweite
500 µm
Einbaulage
Beliebig
Einbauort
Vorzugsweise im Rücklauf zum Wärmeerzeuger
AHS 500
AHS 500
AFRISO
Maße (in mm)