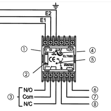
Der Füllstandgrenzschalter CoFox® ELT 680 arbeitet auf Leitfähigkeitsbasis. Durch eine einstellbare Zeitverzögerung wird ungewolltes Schalten bei unruhigen Oberflächen vermieden. Die Empfindlichkeit und der Einstellbereich des Gerätes wurden so gewählt, dass Übergangswiderstände, die z. B. durch Schaum (in Brauerei-, Molkerei- und Eiscremeanlagen) am Sondenisolator entstehen können, keinen Einfluss auf die zuverlässige Funktion des Gerätes haben. Weiterhin ist es möglich, Trennschichten zwischen Flüssigkeiten mit unterschiedlicher Leitfähigkeit, z. B. Wasser/Milch, in Rohrleitungen und Tanks zu detektieren.
Das Gerät kann bei Anschluss einer Sonde als Einpunktregler und bei Anschluss von zwei Sonden als ab hängiger Zweipunktregler betrieben werden.