Membrandruckmittler MD 30 Standardausführung mit Gewindeanschluss

 SAL 16370 16380 16390 object_image_47808imagemain_dech
 ANW 16370 16380 16390
Datenblatt Membrandruckmittler MD 30 Standardausführung mit Gewindeanschluss
AFRISO Datenblatt Membrandruckmittler MD 30 Standardausführung mit Gewindeanschluss

Ausführungen

Prozessanschluss Messgeräteanschluss Nenndruck Mindestanzeigebereich* (in bar) bei Nenngröße Art.-Nr. Merken
63 100 160 DMU DMU 13 Vario
G½B Schweißanschluss PN 25 0,6 bar 0,6 bar 0,6 bar 0,6 bar 0,6 bar 31417W
G½B Schweißanschluss PN 100 0,6 bar 0,6 bar 0,6 bar 0,6 bar 0,6 bar 31331W
G½B Schweißanschluss PN 250 0,6 bar 0,6 bar 0,6 bar 0,6 bar 0,6 bar 31332W

Blaue Art.-Nr. = Lagerware

Beschreibung Format Sprache Download / Link
Datenblatt Membrandruckmittler MD 30 Standardausführung mit Gewindeanschluss Datenblatt PDF
AFRISO Datenblatt Membrandruckmittler MD 30 Standardausführung mit Gewindeanschluss
DMU 13 Vario Flyer PDF
AFRISO DMU 13 Vario
Druckmittler Produktprogramm Industrietechnik PDF
AFRISO Druckmittler
STEP 3D Modell MD30_31331W CAD Daten STP AFRISO STEP 3D Modell MD30_31331W
Anbau- und Kombinationsmöglichkeiten von AFRISO Manometern und Druckmittlern CAD DatenDruckmessgeräte PDF
AFRISO Anbau- und Kombinationsmöglichkeiten von AFRISO Manometern und Druckmittlern
Prozessanschluss/Unterteil
Edelstahl 316 L
G½B
Membrane
Edelstahl 316 L
Dichtung
FKM (Viton)
Messgeräteanschluss
Edelstahl 316 L
Schweißanschluss
Spannflansche
Edelstahl 316 L
Stützring
PN 100:
Edelstahl 316 L
Schrauben und Muttern
Edelstahl 304
Druckübertragungsflüssigkeit
Paraffinöl (FM 09), FDA-gelistet
Druckbereich
Siehe Variantenübersicht
Nenndruck
PN 25, PN 100, PN 250

Optionen

Prozessanschluss/Unterteil
  • Sonderwerkstoffe/Beschichtungen
  • Andere Anschlussgewinde
Membrane
  • Sonderwerkstoffe/Beschichtungen
Dichtung
  • Andere Werkstoffe
Messgeräteanschluss/Oberteil
  • Adapter für Messgeräteanschluss G¼B/G½B
  • Kühlelement (> 100 °C)
  • Kapillarleitung
Schrauben/Muttern/Stützring
  • Andere Werkstoffe
Sonstiges
  • Andere Füllflüssigkeiten
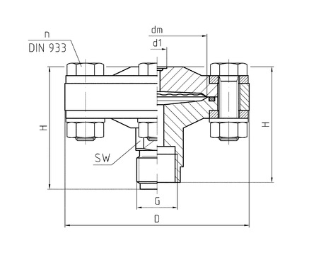
Für Detailansichten, Zusatzinformationen und Maßtabellen bitte auf das jeweilige Bild klicken.
Typ MD 30
Typ MD 30
AFRISO
Maße (mm):
G d1 PN dm D H n SW
10 25 36 95 60 4xM10 22
G½B 10 25 36 95 63 4xM10 22
½-14NPT 10 25 36 95 63 4xM10 22
10 100 36 95 60 4xM10 22
G½B 10 100 36 95 63 4xM10 22
½-14NPT 10 100 36 95 63 4xM10 22
10 250 56 95 56 8xM10 22
G½B 10 250 56 95 79 8xM10 22
½-14NPT 10 250 56 95 76 8xM10 22