Membrandruckmittler MD 40 für Papier- und Zellstoffindustrie

 BEF 16430  BEF 16430
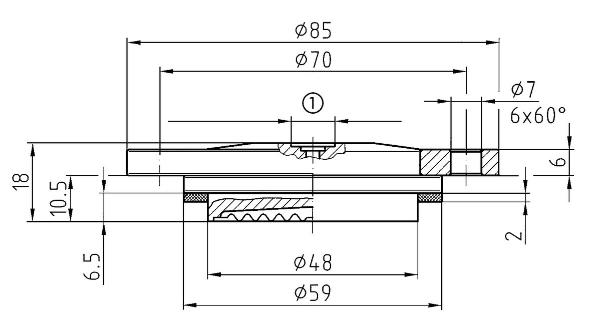
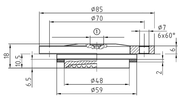
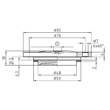
 BEF 16430 <div class="gallery-information"> <p> <strong>Typ MD 40</strong> </p> <p>Maße (in mm)</p> <b>Legende:</b> <ol> <li>Schweißanschluss ⌀ 10 für Messgerät</li> </ol> </div>
 SAL 16430 object_image_47800imagemain_dech
 ANW
 BEF 16430
Datenblatt Membrandruckmittler MD 40 für Papier- und Zellstoffindustrie
AFRISO Datenblatt Membrandruckmittler MD 40 für Papier- und Zellstoffindustrie

Ausführungen

Prozessanschluss Messgeräteanschluss Nenndruck Art.-Nr. Merken
DN 48 Schweißanschluss PN 40 31347W

Blaue Art.-Nr. = Lagerware

Beschreibung Format Sprache Download / Link
Datenblatt Membrandruckmittler MD 40 für Papier- und Zellstoffindustrie Datenblatt PDF
AFRISO Datenblatt Membrandruckmittler MD 40 für Papier- und Zellstoffindustrie
DMU 13 Vario Flyer PDF
AFRISO DMU 13 Vario
Druckmittler Produktprogramm Industrietechnik PDF
AFRISO Druckmittler
STEP 3D Modell MD40_31347W CAD Daten STP AFRISO STEP 3D Modell MD40_31347W
Anbau- und Kombinationsmöglichkeiten von AFRISO Manometern und Druckmittlern CAD DatenDruckmessgeräte PDF
AFRISO Anbau- und Kombinationsmöglichkeiten von AFRISO Manometern und Druckmittlern
Prozessanschluss/Tubus
Edelstahl 316 L, DN 48
Loser Spannflansch
Edelstahl 304
Membrane
Edelstahl 316 L
Dichtung
NBR (Perbunan)
Messgeräteanschluss
Edelstahl 316 L
Schweißanschluss
Druckübertragungsflüssigkeit
Paraffinöl (FM 09), FDA-gelistet
Druckbereich
Siehe Variantenübersicht
Nenndruck
PN 40
Lieferumfang
  • Membrandruckmittler
  • Schrauben M6 x 20 (Stahl verzinkt)
  • Dichtung (NBR) 59 x 48 x 2 mm

Optionen

Prozessanschluss/Tubus
  • Verlängerter Tubus 18 mm (auch für O-Ring-Abdichtung geeignet)
  • Sonderwerkstoffe
  • Silikonfreie Ausführung
Membrane
  • Sonderwerkstoffe
Messgeräteanschluss
  • Adapter für Messgeräteanschluss G¼B/G½B
  • Kühlelement (> 100 °C)
  • Kapillarleitung
Sonstiges
  • Andere Füllflüssigkeiten
Typ MD 40
Typ MD 40
AFRISO
Maße (in mm)
  1. Schweißanschluss ⌀ 10 für Messgerät