Membrandruckmittler MD 70 für Homogenisiermaschinen

 SAR 16800 object_image_64227imagemain_dech
 BEF 16800
Datenblatt Membrandruckmittler MD 70 für Homogenisiermaschinen
AFRISO Datenblatt Membrandruckmittler MD 70 für Homogenisiermaschinen

Ausführungen

Prozessanschluss Messgeräteanschluss Nenndruck Art.-Nr. Merken
DN 23,9 Schweißanschluss PN 600 31352W

Blaue Art.-Nr. = Lagerware

Beschreibung Format Sprache Download / Link
Datenblatt Membrandruckmittler MD 70 für Homogenisiermaschinen Datenblatt PDF
AFRISO Datenblatt Membrandruckmittler MD 70 für Homogenisiermaschinen
DMU 13 Vario Flyer PDF
AFRISO DMU 13 Vario
Druckmittler Produktprogramm Industrietechnik PDF
AFRISO Druckmittler
STEP 3D Modell MD70_31352W CAD Daten STP AFRISO STEP 3D Modell MD70_31352W
Anbau- und Kombinationsmöglichkeiten von AFRISO Manometern und Druckmittlern CAD DatenDruckmessgeräte PDF
AFRISO Anbau- und Kombinationsmöglichkeiten von AFRISO Manometern und Druckmittlern
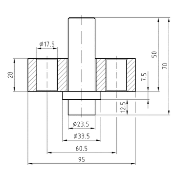
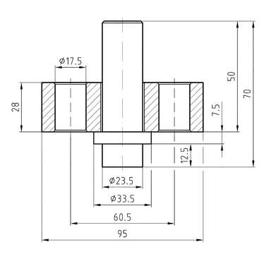
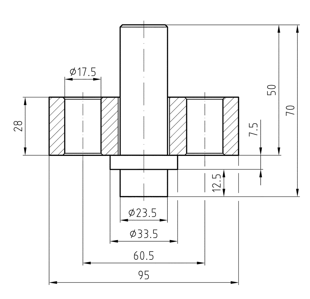
Prozessanschluss/Tubus
Edelstahl 316 L, DN 23,9
Loser Spannflansch
Edelstahl
Membrane
Edelstahl 316 L, totraumfrei mit Oberteil verschweißt
Messgeräteanschluss
Edelstahl 316 L
Schweißanschluss
Druckübertragungsflüssigkeit
Paraffinöl (FM 09), FDA-gelistet
Druckbereich
Siehe Variantenübersicht
Nenndruck
PN 600

Optionen

  • Andere Füllflüssigkeiten
Typ MD 70
Typ MD 70
AFRISO
Maße (in mm)