Widerstandsthermometer WTh 27

 BEF 77530 77540 77550 77560  BEF 77530 77540 77550 77560
 BEF 77530 77540 77550 77560 <div class="gallery-information"> <p> <strong>Typ WTh 27</strong> </p> <p>Maße (in mm)</p> <b>Legende:</b> <ol> <li>Halsrohrlänge</li> <li>Einbaulänge</li> <li>Flansch</li> </ol> </div>
 SAL 77530 77540 77550 77560 object_image_64321imagemain_dech
 SAR 77530 77540 77550 77560
 BEF 77530 77540 77550 77560
Datenblatt Widerstandsthermometer WTh 27
AFRISO Datenblatt Widerstandsthermometer WTh 27

Ausführungen

Einbaulänge Art.-Nr. Merken
Widerstandsthermometer WTh 27 100 mm 32260
Widerstandsthermometer WTh 27 160 mm 32261
Widerstandsthermometer WTh 27 250 mm 32262
Widerstandsthermometer WTh 27 400 mm 32263

Blaue Art.-Nr. = Lagerware

Beschreibung Format Sprache Download / Link
Datenblatt Widerstandsthermometer WTh 27 Datenblatt PDF
AFRISO Datenblatt Widerstandsthermometer WTh 27
Widerstandsthermometer WTh Anfragen-Checkliste PDF
AFRISO Widerstandsthermometer WTh
Sensor
1 x Pt100
3-Leiter
Klasse B, IEC 751
Messeinsatz
Austauschbar
Durchmesser:
6 mm
Schutzrohr
∅ 11 x 2 mm
Edelstahl 316 Ti
Halsrohr
∅ 11 x 2 mm
Länge:
120 mm
Edelstahl 316 Ti
Prozessanschluss
Flansch nach EN 1092-1 Form B 1 Edelstahl 316 Ti
Nennweite:
DN 20
Nenndruck:
PN 40
Einbaulänge
100, 160, 250, 400 mm
Anschlusskopf
Form B nach DIN 43729
Alu-Druckguss
Elektrischer Anschluss
Kabelverschraubung
Schutzart
IP 54 (EN 60529)
Messbereich
-35/+400 °C

Optionen

  • Sensor Klasse A
  • Reduzierte Messspitze (6 mm)
  • Transmittereinbau
  • Andere Schutzrohrwerkstoffe
  • Andere Prozessanschlüsse
  • Andere Einbaulängen
  • Andere Anschlussköpfe
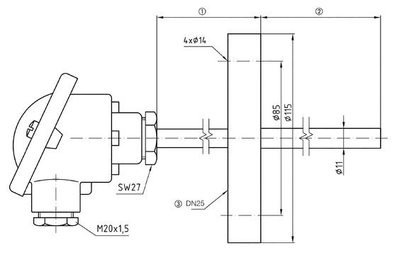
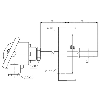
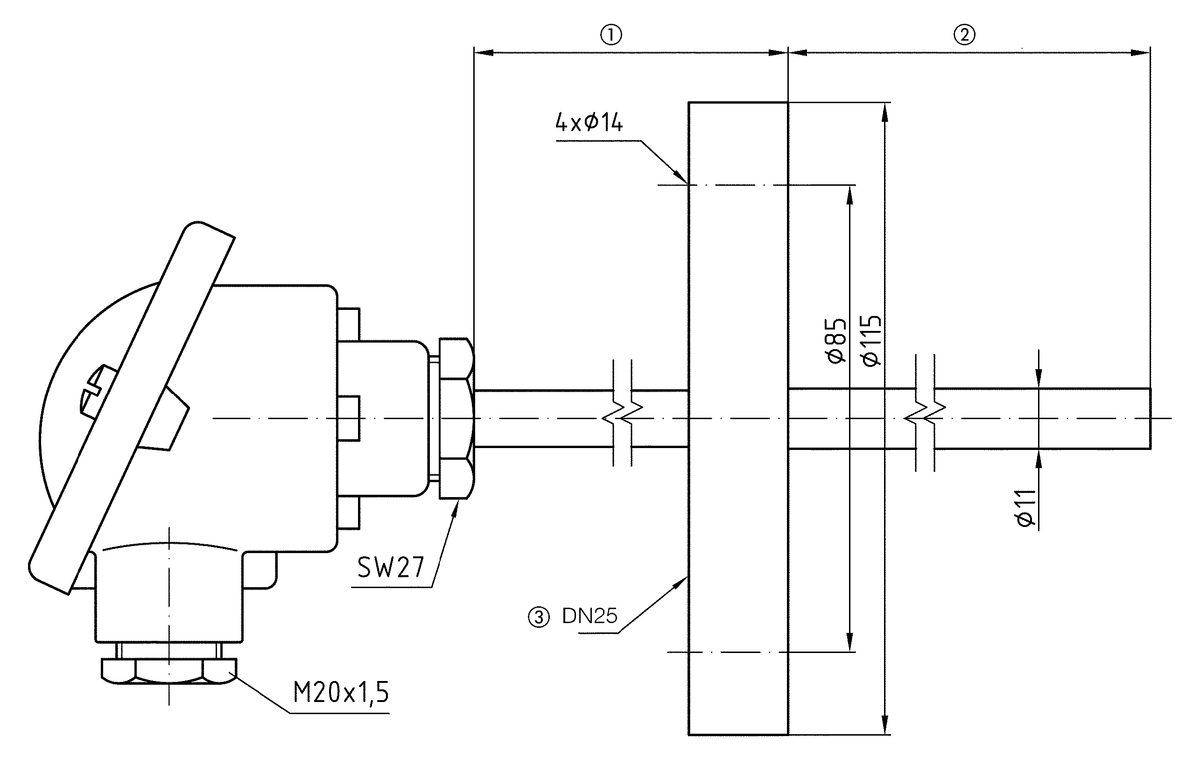
Typ WTh 27
Typ WTh 27
AFRISO
Maße (in mm)
  1. Halsrohrlänge
  2. Einbaulänge
  3. Flansch