Druckmessumformer DeltaFox DMU 11 D Differenzdruckausführung

 ANW 61590 61600 61610 61620 61630 61640 61650 61660 61670 61680 61690 61700 61710 61720  ANW 61590 61600 61610 61620 61630 61640 61650 61660 61670 61680 61690 61700 61710 61720
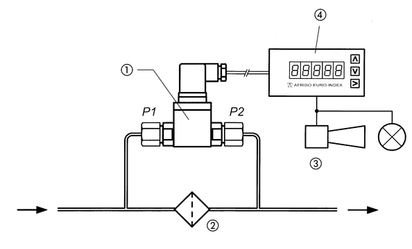
 ANW 61590 61600 61610 61620 61630 61640 61650 61660 61670 61680 61690 61700 61710 61720 <div class="gallery-information"> <b>Legende:</b> <ol> <li>DeltaFox DMU 11 D</li> <li>Digitales Anzeigegerät DA 12</li> <li>Pumpe</li> </ol> </div>
 BEF 61590 61600 61610 61620 61630 61640 61650 61660 61670 61680 61690 61700 61710 61720  BEF 61590 61600 61610 61620 61630 61640 61650 61660 61670 61680 61690 61700 61710 61720
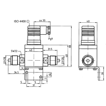
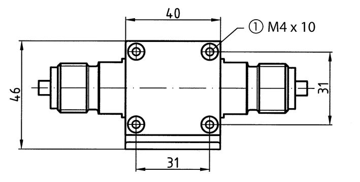
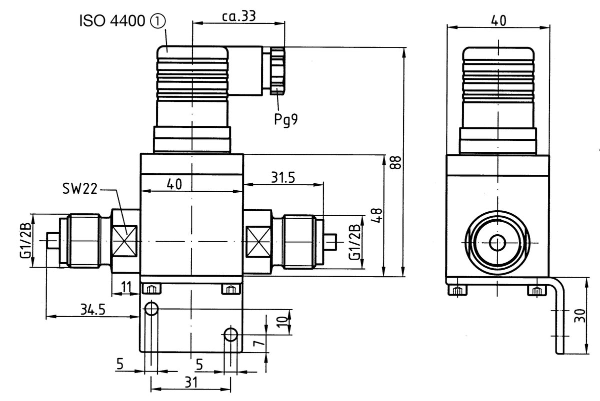
 BEF 61590 61600 61610 61620 61630 61640 61650 61660 61670 61680 61690 61700 61710 61720 <div class="gallery-information"> <p> <strong>DMU 11 D - Anschluss 2 x G½B (EN 837)</strong> </p> <p>Maße (in mm)</p> <b>Legende:</b> <ol> <li>Schraube</li> </ol> </div>
 BEF 61590 61600 61610 61620 61630 61640 61650 61660 61670 61680 61690 61700 61710 61720  BEF 61590 61600 61610 61620 61630 61640 61650 61660 61670 61680 61690 61700 61710 61720
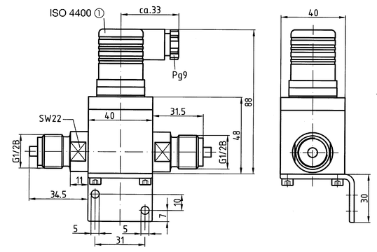
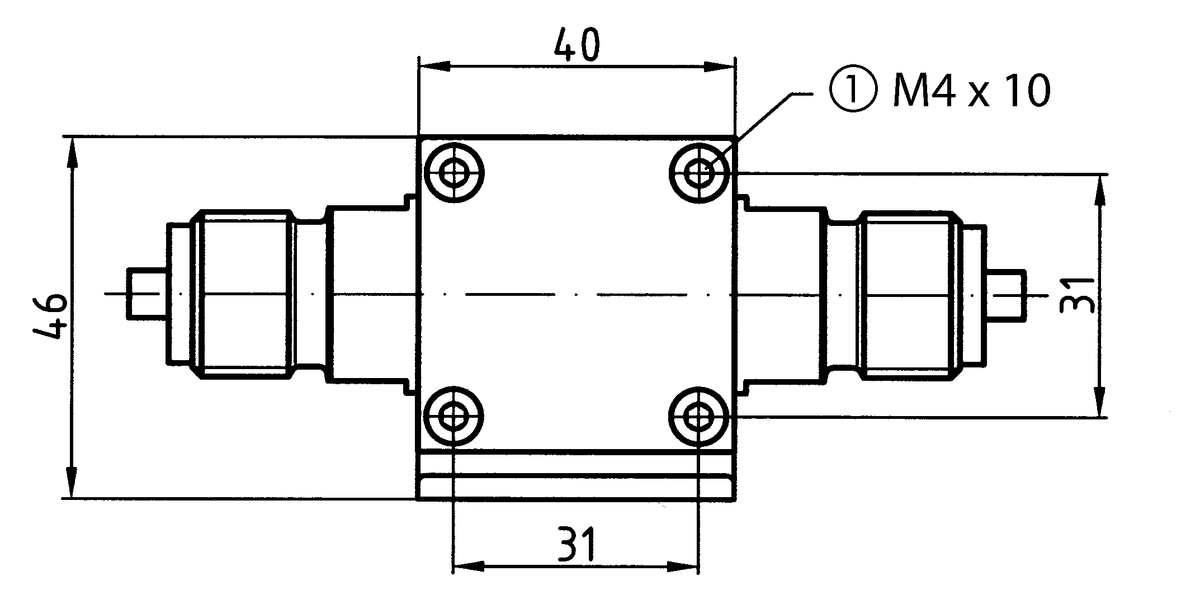
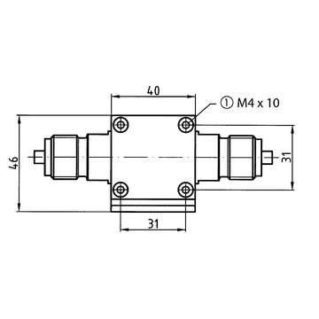
 BEF 61590 61600 61610 61620 61630 61640 61650 61660 61670 61680 61690 61700 61710 61720 <div class="gallery-information"> <p> <strong>DMU 11 D - Anschluss 2 x G½B (EN 837)</strong> </p> <p>Maße (in mm)</p> <b>Legende:</b> <ol> <li>Steckverbinder</li> </ol> </div>
 VOR 61590 61600 61610 61620 61630 61640 61650 61660 61670 61680 61690 61700 61710 61720 object_image_64045imagemain_dech
 SAL 61590 61600 61610 61620 61630 61640 61650 61660 61670 61680 61690 61700 61710 61720
 SAR 61590 61600 61610 61620 61630 61640 61650 61660 61670 61680 61690 61700 61710 61720
 ANW 61590 61600 61610 61620 61630 61640 61650 61660 61670 61680 61690 61700 61710 61720
 BEF 61590 61600 61610 61620 61630 61640 61650 61660 61670 61680 61690 61700 61710 61720
 BEF 61590 61600 61610 61620 61630 61640 61650 61660 61670 61680 61690 61700 61710 61720
Datenblatt Druckmessumformer DeltaFox DMU 11 D Differenzdruckausführung
AFRISO Datenblatt Druckmessumformer DeltaFox DMU 11 D Differenzdruckausführung

Ausführungen

Typ Anschluss Messbereich Art.-Nr. Merken
DeltaFox DMU 11 D 2 x G½B EN 837-1/7.3 0/40 mbar 31830
DeltaFox DMU 11 D 2 x G½B EN 837-1/7.3 0/60 mbar 31831
DeltaFox DMU 11 D 2 x G½B EN 837-1/7.3 0/100 mbar 31813
DeltaFox DMU 11 D 2 x G½B EN 837-1/7.3 0/160 mbar 31814
DeltaFox DMU 11 D 2 x G½B EN 837-1/7.3 0/250 mbar 31815
DeltaFox DMU 11 D 2 x G½B EN 837-1/7.3 0/400 mbar 31832
DeltaFox DMU 11 D 2 x G½B EN 837-1/7.3 0/600 mbar 31833
DeltaFox DMU 11 D 2 x G½B EN 837-1/7.3 0/1 bar 31816
DeltaFox DMU 11 D 2 x G½B EN 837-1/7.3 0/1,6 bar 31834
DeltaFox DMU 11 D 2 x G½B EN 837-1/7.3 0/2,5 bar 31817
DeltaFox DMU 11 D 2 x G½B EN 837-1/7.3 0/4 bar 31835
DeltaFox DMU 11 D 2 x G½B EN 837-1/7.3 0/6 bar 31818
DeltaFox DMU 11 D 2 x G½B EN 837-1/7.3 0/10 bar 31836
DeltaFox DMU 11 D 2 x G½B EN 837-1/7.3 0/16 bar 31837

Blaue Art.-Nr. = Lagerware

Beschreibung Format Sprache Download / Link
Datenblatt Druckmessumformer DeltaFox DMU 11 D Differenzdruckausführung Datenblatt PDF
AFRISO Datenblatt Druckmessumformer DeltaFox DMU 11 D Differenzdruckausführung
Differenzdruckmessumformer DMU 10 D, DMU 11 D Betriebsanleitung PDF
AFRISO Differenzdruckmessumformer DMU 10 D, DMU 11 D
Elektronische Druckmesstechnik - Druckmessumformer Serie DMU Produktprogramm Industrietechnik PDF
AFRISO Elektronische Druckmesstechnik - Druckmessumformer Serie DMU
Differenzdruckmessumformer DMU 10 D, DMU 11 D Konformitätserklärung PDF
AFRISO Differenzdruckmessumformer DMU 10 D, DMU 11 D
Druckmessumformer DMU 07/DMU 07 FG/DMU 08/DMU 08 T/DMU 09/ DMU 10 D/ DMU 11 D Optionen PDF
AFRISO Druckmessumformer DMU 07/DMU 07 FG/DMU 08/DMU 08 T/DMU 09/ DMU 10 D/ DMU 11 D
Messbereiche
Nenndruck 0,2 bar 0,4 bar 1 bar 2,5 bar 6 bar 16 bar
Differenzdruckmessbereich
Turn-Down 1:1 – 1:10
0/0,02 – 0/0,2 bar 0/0,04 – 0/0,4 bar 0/0,1 – 0/1,0 bar 0/0,25 – 0/2,5 bar 0/0,6 – 0/6,0 bar 0/1,6 – 0/16 bar
max. statischer Druck einseitig 0,5 bar 1 bar 3 bar 6 bar 20 bar 60 bar
Temperaturfehler
Fehlerband ≤ ± 2,5 % FSO ≤ ± 2 % FSO ≤ ± 1,5 % FSO ≤ ± 1,5 % FSO ≤ ± 1,5 % FSO ≤ ± 1,5 % FSO
im kompensierten Bereich 0/50 °C 0/50 °C 0/50 °C 0/50 °C 0/70 °C 0/70 °C
Messgenauigkeit
Turn-Down von 1:1 bis 1:2 ≤ ± 0,5 % FSO ≤ ± 0,5 % FSO ≤ ± 0,5 % FSO
Turn-Down von 1:2 bis 1:10 ≤ ± 1 % FSO ≤ ± 1 % FSO ≤ ± 1 % FSO
Turn-Down von 1:1 bis 1:5 ≤ ± 0,5 % FSO ≤ ± 0,5 % FSO ≤ ± 0,5 % FSO
Turn-Down von 1:5 bis 1:10 ≤ ± 1 % FSO ≤ ± 1 % FSO ≤ ± 1 % FSO
Messbereich
Siehe Bestelltabelle
Temperatureinsatzbereich
Medium:
-25/+125 °C
Umgebung:
-25/+85 °C
Lagerung:
-40/+100 °C
Dynamisches Verhalten
Ansprechzeit:
< 5 ms
Prozessanschluss
2 x G½B EN 837-1/7.3
Werkstoff
Gehäuse:
Aluminium, schwarz eloxiert
Druckanschluss:
Edelstahl 316 L
Membrane:
Edelstahl 316 L
Dichtung:
FKM (Viton)
Versorgungsspannung
DC 12 – 36 V
Ausgangssignal
2-Leiter, 4–20 mA
Bürde
R<sub>Max</sub> = [(U<sub>B</sub> – U<sub>Bmin</sub>)/0,02 A] Ω
Stromaufnahme
< 25 mA
Elektrische Schutzmaßnahmen
Kurzschluss- und verpolungssicher
Elektrischer Anschluss
Stecker und Kabeldose nach ISO 4400 (DIN 43650-A)
Schutzart
IP 65 (EN 60529)
CE-Konformität
EMV-Richtlinie 2014/30/EU
RoHS-Richtlinie 2011/65/EU
Druckgeräterichtlinie 2014/68/EU
Lieferumfang
  • Druckmessgerät
  • Befestigungswinkel

Optionen

  • Andere Prozessanschlüsse
  • Andere elektrische Anschlüsse
  • Andere Dichtungswerkstoffe
  • Andere Ausgangssignale
  • Druckmittleranbau
DMU 11 D - Anschluss 2 x G½B (EN 837)
DMU 11 D - Anschluss 2 x G½B (EN 837)
AFRISO
Maße (in mm)
  1. Schraube
DMU 11 D - Anschluss 2 x G½B (EN 837)
DMU 11 D - Anschluss 2 x G½B (EN 837)
AFRISO
Maße (in mm)
  1. Steckverbinder
Anschlussschaltbild
Anschlussschaltbild
AFRISO
3-Leiter 0-10 V
Anschlussschaltbild
Anschlussschaltbild
AFRISO
2-Leiter 4-20 mA
AFRISO
  1. DeltaFox DMU 11 D
  2. Filter
  3. Warnsignal Filterwechsel
  4. Digitales Anzeigegerät DA 12